电 话: 0513-83325673 传真: 0513-83119878
精过滤器系列
一、可程式快洗排过滤器
二、自清洗过滤器
SCA-Y型手摇刷式过滤器
SCB-Y,SCC-L-I(II)刷式自清洗过滤器
SCE-S型吸吮式自清洗过滤器
三、特种小型设备
SCG型呼吸阀、阻火呼吸阀
四、空气过滤器
SCKI型送风空气过滤器
SCKII型吹风空气过滤器
五、管道过滤器
Y型过滤器
临时过滤器
气体过滤器
篮式过滤器
T型过滤器
六、管道用小型设备
取样冷却器
视 镜
SCP型阻火器
消 声 器
混合器系列
高剪切混合乳化机系列
精细过滤器系列
动态混合机系列
冷却器系列
名 称: 南通沃尔驰石化工程有限公司
电 话: 0513-83325673
传真: 0513-83119878
手机: 13862978163
地址:
启东市汇龙镇中央河中路691号
邮 编: 226200
网 址: http://www.ntslsh.com
E-mail: 13862978163@126.com
KNP型氮气放散消声器系列
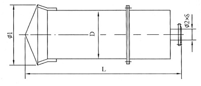
一、结构型式
本系列消声器是一种阻抗复合型式消声器。
二、适用范围
本系列消声器适用于降低空气分离装置或氮气压缩机后放散氮气时产生的动力性噪声。
三、结构简图
KNP型氮气放散消声器外形示意图
南通沃尔驰石化工程有限公司
Copyright © 2015 www.ntslsh.com
地址:
启东市汇龙镇中央河中路691号
电话:
0513-83325673
传真:
0513-83119878
手机:
13862978163
E-mail:
13862978163@126.com
消音器
消声器