产品概述
过滤器是除去液体中少量固体颗粒的小型设备,可保护压缩机、泵、仪表和其它设备的正常工作,当流体进入置有一定规格滤网的滤筒后,其杂质被阻挡,而清洁的滤液则由过滤器出口排出,当需要清洗时,只要将可拆卸的滤筒取出,处理后重新装入即可,因此,使用维护方便。
本公司生产的过滤器具有结构紧凑、过滤能力大、压损小、适用范围广、维护方便、价格低廉等优点,其主要适用的物料有:
化工、石油化工生产中弱腐蚀性物料,如:水、油品、氨、烃类等。
化工生产中的腐蚀性物料,如:烧碱、纯碱、浓稀硫酸、碳酸、醛酸等。
制冷中的低温物料,如:液甲烷、液氨、液氧和各种冷剂。
食品、制药生产中有卫生要求的物料,如:啤酒、饮料、乳制品、糖浆等。
型号标注
本公司生产的管道过滤器,主要有:1、Y型过滤器 2、T型过滤器 3、篮式过滤器 4、临时过滤器 5、气体过滤器。 其型号标注如下:

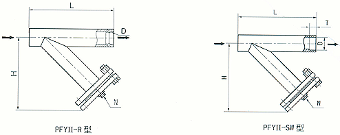
1、Y型过滤器
(1)Y型铸造螺纹连接式(PFYI-R型)、承插焊接式(PFYI-SW型)(DNl5—50,PN≤5.0Mpa)
PFYI-R、PFYI—SW型
