电 话: 0513-83325673    传真: 0513-83119878
 

 精过滤器系列
 一、可程式快洗排过滤器
 二、自清洗过滤器
  SCA-Y型手摇刷式过滤器
  SCB-Y,SCC-L-I(II)刷式自清洗过滤器
  SCE-S型吸吮式自清洗过滤器
 三、特种小型设备
  SCG型呼吸阀、阻火呼吸阀
 四、空气过滤器
  SCKI型送风空气过滤器
  SCKII型吹风空气过滤器
 五、管道过滤器
  Y型过滤器
  临时过滤器
  气体过滤器
  篮式过滤器
  T型过滤器
 六、管道用小型设备
  取样冷却器
  视 镜
  SCP型阻火器
  消 声 器

 混合器系列
 高剪切混合乳化机系列
 精细过滤器系列
 动态混合机系列
 冷却器系列


名 称: 南通沃尔驰石化工程有限公司
电 话: 0513-83325673
传真: 0513-83119878
手机: 13862978163
地址: 启东市汇龙镇中央河中路691号
邮 编: 226200
网 址: http://www.ntslsh.com
E-mail: 13862978163@126.com

 
 

KAP型压缩空气排放消声器系列


一、结构型式
  本系列消声器是一种阻抗复合消声器,阻性段采用列管吸声通道,抗性段采用小孔喷注,可与不同风量的空压机相配套。

二、适用范围
  主要用于降低空气压缩机放散空气时产生的动力性噪声。
  压力P≤0.6MPa 消声量≥30dB(A),本消声器为立式安装。

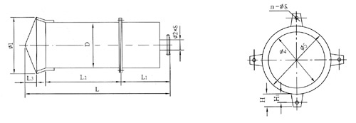
三、结构简图

KAP型压缩空气排放消声器示意图            支耳尺寸图
 


南通沃尔驰石化工程有限公司  Copyright © 2015  www.ntslsh.com 地址:启东市汇龙镇中央河中路691号
电话:0513-83325673 传真:0513-83119878   手机:13862978163 E-mail:13862978163@126.com 消音器 消声器